返回首页加入收藏联系我们  
 
 
  首 页 公司简介 产品展示 在线订单 联系我们
 
   品牌分类
 
   液压叶片泵
   液压附件【联轴器等】
   REXROTH德国力士乐
   VICKERS美国威格士
   比例阀
   PARKER美国派克
   ATOS意大利阿托斯
   钟型罩
   Duplomatic 迪普马
   DENISON丹尼逊
   HAWE德国哈威
   MAHLE德国玛勒
   ★代理品牌★
   ." class="sswz2">.
   联系我们
联系电话:+86-021-39925561
手    机:18916290078
客服热线:4008206185
传    真:+86-021-39925219
联 系 人:倪世斌
邮    编:201824
E-mail  :kxnsb@126.com
网    址:www.shliming.cn
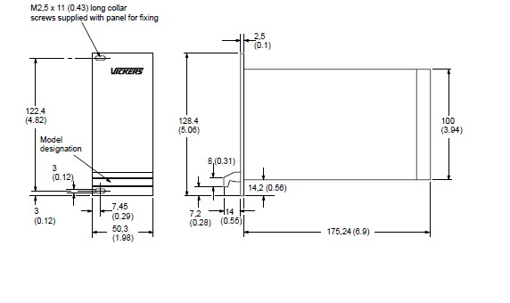
     产品展示  VICKERS美国威格士>>放大器>>EEA-PAM-5**-D-32
 
EEA-PAM-5**-D-32
 
 
产品品牌: VICKERS美国威格士
产品类别: 放大器
产品描述:
 

 
版权所有@上海黎铭液压机械有限公司  搜索关键词:钟型罩 力士乐 技术支持:萨弗网络
电话:+86-021-39925561 39925211 客服热线:4008206185 传真:+86-021-39925219  E-mail:kxnsb@126.com
公司地址:上海市嘉定区宝钱公路3788号 邮编:201806  沪ICP备06049981号-1